Подключение трехфазного электросчетчика - схема
Прежде чем рассмотрим вопрос, как подключить трехфазный электросчетчик своими руками, оговоримся, что с трехфазными счетчиками дело обстоит сложнее, чем с однофазными, где схема подключения, в принципе, однозначна.
Схема подключения трехфазного счетчика зависит от его типа. В любом случае, трехфазные счетчики поддерживают однофазное измерение.
Существует 4 типа трехфазных счетчиков
Это приборы:
- Прямого включения (называют так же непосредственного включения)
- Косвенного включения
- Полукосвенного включения
- Учета реактивной энергии
Соответственно и способы подключения у них разные, рассмотрим их по порядку.
Трехфазный счетчик прямого включения
Приборы такого типа подключаются в сеть напрямую, так как рассчитаны на сравнительно небольшую пропускную мощность, до 60кВт (соответственно ток до 100 А). Подключить счетчик электроэнергии прямого включения на мощность, превышающую указанную в паспорте просто не удастся, так как их входные и выходные колодки рассчитаны на сечение подключаемых проводов 16 или 25 мм.
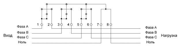
Схема подключения cчетчика прямого включения, также, как и у однофазных счетчиков, кроме паспорта, указана на обратной стороне крышки.
Провода, слева-направо:
- Первый – фаза А вход
- Второй – фаза А нагрузка
- Третий – фаза В вход
- Четвертый – фаза В нагрузка
- Пятый – фаза С вход
- Шестой – фаза С нагрузка
- Седьмой – ноль вход
- Восьмой – ноль нагрузка
Как видим, сложности никакой здесь нет.
Счетчик полукосвенного включения
Это приборы учета электроэнергии, которые ориентированы на измерение потребляемой мощности, превышающей 60 кВт. Использование возможно только в связке с трансформатором тока, а подключение осуществляется по четырем схемам.
Оцифровка прибора учета здесь отличается от прибора прямого (непосредственного) включения.
Схема подключения - провода, слева направо:
- вход токовой обмотки фазы А
- вход обмотки измерения напряжения фазы А
- выход токовой обмотки фазы А
- вход токовой обмотки фазы В
- вход обмотки измерения напряжения фазы В
- выход токовой обмотки фазы В
- вход токовой обмотки фазы С
- вход обмотки измерения напряжения фазы С
- выход токовой обмотки фазы С
- нейтраль
- нейтраль
Рассмотрим контакты трансформаторов тока. Их четыре:
- Л1 – вход силовой линии
- Л2 – нагрузка силовой линии
- И1 – вход измерительной обмотки счетчика
- И2 – выход измерительной обмотки счетчика
Контакты Л1 и Л2 всегда подключаются к силовой сети.
При использовании токовых трансформаторов показания счетчика умножаются на коэффициент трансформации. Межповерочный срок трансформатора тока составляет 4-5 лет.
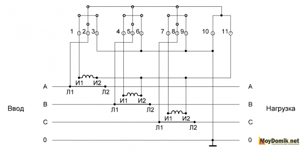
Схемы подключения счетчиков полукосвенного включения
Выделяют несколько способов подключения:
Десятипроводная схема подключения счетчика
Эта схема хороша тем, что здесь не связаны между собой цепи измерения тока и напряжения, что повышает ее электробезопасность. Однако, она требует большего количества проводов, чем другие схемы.
Последовательность:
- Контакт 2 подключается на Л1 фазы А
- Контакт 3 подключается на И2 фазы А
- Контакт 4 подключается на И1 фазы В
- Контакт 5 подключается на Л1 фазы В
- Контакт 6 подключается на И2 фазы В
- Контакт 7 подключается на И1 фазы С
- Контакт 8 подключается на Л1 фазы С
- Контакт 9 подключается на И2 фазы С
- Контакт 10 подключается на нулевой провод
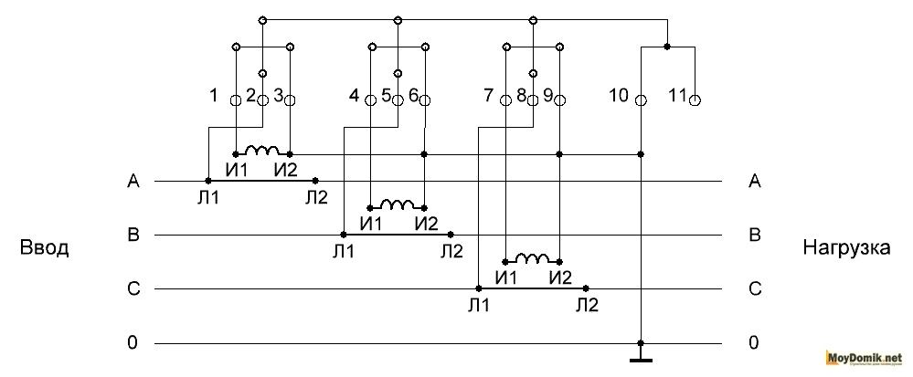
Схема с подключением трансформаторов тока в звезду
Позволяет сэкономить на монтаже вторичных проводов.
Последовательность выполнения:
- Контакты 3, 6, 9 и 10 замыкаются между собой и подключаются на нулевой провод
- Все контакты И2 замыкаются между собой и на контакт 11
- Контакт 1 подключается на И1 фазы А
- Контакт 4 подключается на И1 фазы В
- Контакт 7 подключается на И1 фазы С
- Контакт 2 подключается на Л1 фазы А
- Контакт 5 подключается на Л1 фазы В
- Контакт 8 подключается на Л1 фазы С
Подключение счетчика с совмещенными цепями тока и напряжения
Эта схема устарела, так как является электронебезопасной, и сегодня не применяется.
Подключение счетчика через испытательную клеммную коробку
По сути дела, повторяет десятипроводную схему подключения, только в разрыве между электросчетчиком и остальными элементами устанавливается переходная коробка, позволяющая безболезненно снимать и устанавливать учетный прибор.
Счетчики косвенного включения
Такие счетчики используются для учета расхода электроэнергии при напряжениях выше 6кВ, поэтому рассматривать их мы здесь не будем.
Счетчики реактивной энергии
По способу подключения не отличаются от приборов учета активной энергии. Хотя еще существуют индукционные счетчики, учитывающие отдельно реактивную составляющую, но в настоящее время их уже не устанавливают.
В следующих статьях мы рассмотрим приборы различных фирм, постараемся разобраться с их достоинствами и недостатками, по возможности выявить лучшие марки электросчетчиков.
Метки: Электросчетчик Схема
84 953
0
-
Строительство дома из арболита (арболитовых блоков) – технология возведения, от фундамента до крыши
Такая ситуация, мне начали строить дом из арболита, но наделали кучу ошибок по кладке (ниже фото). Сейчас хочу взыскать с этих криворуких строителей компенсацию. По самому материалу претензий нет, -
Утепление входной металлической двери – правильная теплоизоляция своими руками
Бюджетный способ утеплить китайскую дверь от дяди Вани. В отличие от обычной пустотелой двери, в китайской хотя бы бумага внутри. Конечно, эти соты из прессованного картона мало помогут в мороз, но -
Входные двери с терморазрывом – металлические термодвери для частного дома
Установил термодверь в декабре 2015 года. До этого стояла стальная дверь, утепленная внутри полотна и по периметру. Температура в коридоре была ниже, нежели в комнатах (коридор отапливаемый). После -
Монтаж водосточной системы своими руками – установка водостоков для крыши
Пытались помочь в рамках своей компетенции.Раз уж комплектующие Деке, то разумно будет согласовать эти вопросы с ними.Да, в скором будущем на сайте будет отдельный материал по расчетам водосточной -
Монтаж водосточной системы своими руками – установка водостоков для крыши
У Docke эти странные требования заложены в pdf инструкцию по монтажу водосточной системы. Формулу я вывел сам, это не сложно, задачка в пределах школьного курса геометрии. Дело в том, что я купил их -
Монтаж водосточной системы своими руками – установка водостоков для крыши
Не уверенны, что сможем дать однозначный ответ насчет градусов. Откуда вообще эта формула, на сайте Деке не нашли. Спросили у ребят, которые профильно занимаются монтажом водостоков. Сказали, что -
Монтаж водосточной системы своими руками – установка водостоков для крыши
Интересно, что те же Дёке, несмотря на свои рекомендации, дают фотографии своих монтажных работ по крутым скатам, которые явно им противоречат (фото). Там скаты смотрят в жёлоб, а не поверх него. Моя -
Монтаж водосточной системы своими руками – установка водостоков для крыши
Спасибо за развёрнутый ответ, но он не во всём разъясняет проблему, поэтому уточню вопрос. На прилагаемых рисунках, взятых из рунета, показано то самое поперечное сечение, о котором я говорю, с -
Установка забора из сетки рабицы своими руками – пошаговая инструкция
В описанном вами случае, нужно использовать квадратный профиль с сечением не менее 100х100 мм. Ввиду того, что планируется посадка вьющихся растений желательно устанавливать одинаковый профиль по -
Как сделать калитку из сетки рабицы для дачи своими руками
Выбирается индивидуально, но согласно логике, распашная калитка и ворота из рабицы (как и любые другие) должны открываться наружу. Объясняется несколькими причинами. Первая – при экстренной ситуации,



























